24小时客服热线电话:

021-57521315 / 021-57521318

你的位置:首页 > 产品展示
D671X气动对夹蝶阀
产品型号:
产品产地:
发布日期:2022-03-11
浏览次数:
咨询电话:021-57521315 / 021-57521318
关 键 词:
下一个产品 上一个产品

详细介绍

气动法兰蝶阀,蝶阀配上气动执行器。气动执行器的执行速度相对较快,并且不需要工人亲力亲为,在很大程度上节约了人力资源以及时间。

  气动法兰蝶阀的主要优点,结构简单,体积小重量轻,造价低,气动碟阀该特点尤其显著,安装在高空暗道,经过二位五通电磁阀控制操作方便,也可调节流量介质。流体阻力较小,中大口径的气动碟阀全开时有效流通面积较大,启闭迅速省力,碟扳旋转90角度即可完成启闭,由于转轴两侧碟板手介质作用力接近相等,而产生的转矩方向相反,因而启闭力矩较小,低压下可实现良好的密封,碟阀密封材料有丁晴橡胶、氟橡胶,食用橡胶,衬四氟故密封性能良好,其中硬密封碟阀为软硬层叠式金属片具有金属硬密封和弹性密封的重优点,无论在低温情况下均具有优良的密封性。

性能特点

  气动对夹蝶阀主要特点:

  1、小巧轻便,容易拆装及维修,并可在任意位置安装。

  2、结构简单、紧凑,操作扭矩小,90°回转开启迅速。

  3、流量特性趋直线,调节性能好。

  4、蝶板与阀杆的连接采用无销钉结构,克服了有可能的内泄漏点。

  5、蝶板外圆采用球面造型,提高了密封性能及延长了阀门的使用寿命,带压启闭5万次以上仍保持零泄漏。

  6、密封件可更换,且密封可靠达到双向密封。

  7、蝶板可根据用户要求喷涂覆层,如尼龙或聚四氟类。

  8、该阀可设计成法兰连接和对夹连接。

  9、驱动方式可选择手动、电动或气动。

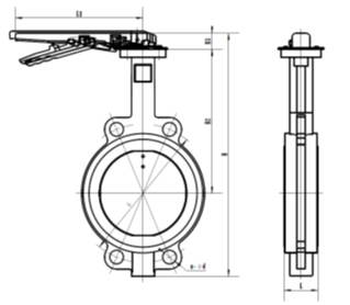
技术参数

零件名称材料名称
阀体铸铁/球墨铸铁/不锈钢
阀板球墨铸铁/不锈钢
阀座乙丙橡胶/四氟乙烯
阀杆

公称通径外型尺寸连接尺寸执行器型号
LL1L2~HH1DD1n-?d
5042141/15971/83269/2816852.91204-23AT050D/063S
6544.7159/21183/59283/3037564.5136.24-26.5AT063D/075S
8045.2159/24883/107289/3099378.81608-18AT063D/088S
10052.1211/26995/123320/33810410.41854-24.5AT075D/100S
12554.4248/269107/123351/366118123.32154-23AT088D/100S
15055.8269/345123/152380/405133155.62384-25AT100D/125S
20060.6345/409152/172435/477165202.52954-25AT125D/145S
25065.5409/439172/187509/552197250.53574-29AT145D/160S
30076.5438/550187/215597/622224301.64074-29AT160D/190S
35076.5550/600215/240653/688267333.34674-30AT190D/210S
40086.5550/633215/262720/787309389.65154-30AT190D/240S
450105.6600/633240/262772/858328440.515654-30AT210D/240S
500131.8633/730262/330867/1004361491.56204-33AT240D/270S
600152730/1700330/-998/1220459592.57254-36AT270D/AW25S
7001631320/1970-/-1116/12825206958404-36AW25/AW28S
8001881430/2700-/-1330/1007591794.79504-39AW28/AW35S